东莞天华电子制造有限公司
Dongguan Ten Well Industrial co., Ltd.
(86)-0769-89910088 ext836
联系人:高小姐 13423270070
邮箱:sales@ten-well.cn
传真:89910100
地址:广东省东莞市高埗镇莞潢中路8号1号楼
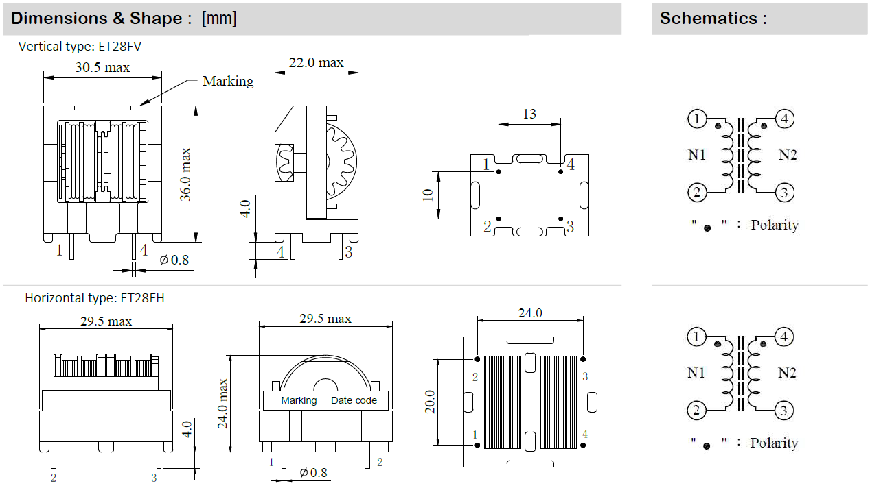
ET28FH
联系我们
下载
产品详情
图纸
留言
产品名称 *
您的姓名 *
联系邮箱 *
公司名称
联系电话 *
传真
您的地址
需求描述 *
提交留言
联系方式
高小姐
13423270070
客服微信